

Star Technologies
High Temp clamp (3/4" ID, Thick .032") With Silicone Cushion, mounting hole 3/8" | Part No. 5420SS12HT67X | Star Technologies
High Temp clamp (3/4" ID, Thick .032") With Silicone Cushion, mounting hole 3/8" | Part No. 5420SS12HT67X | Star Technologies
Ashcon International Inc.
1070 Heritage Rd
Burlington ON L7L 4X9
Canada
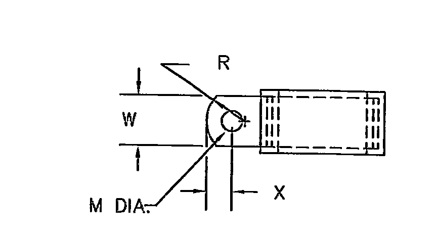
PART NO. | D DIA. | E DIM. ±.03 | M. DIA | T ±.005 | W | R | X |
5420SS12HT67X | .750 | .921 | .406 | .032 | 3/4 | 1/2 | .375 |
METAL:
A= 2024 ALUMINIUM PER QQ-A-250/5F
HEAT TREAT TO T42 CONDITION
SS= STAINLESS STEEL 300 SERIES COMM. GRADE
S= 1010 STEEL, PER QQ-S-698
ZINC PLATE PER QQ-Z-325 TYP. 1 CLASS 2
CUSHION:
N= NEOPRENE PER AMS 3209
HT= SILICONE PER AMS3303 MODIFIED
TO 100 LBS. PER INCH TEAR COLOR RED
E= EPDM